Многофазный детектор
A Multiphase Peak Envelope Detector by YL2DX
В одной из моих конструкций спич-процессора постоянная времени детектора АРУ (в слоговом компрессоре), необходимая для получения заданных временных характеристик, оказалась мала для того, чтобы достаточно отфильтровать огибающую от пульсаций выпрямленных колебаний низших звуковых частот. В результате система АРУ вносила заметные искажения из-за интермодуляции в регулирующем элементе (полевом транзисторе).
Я нашел выход в использовании многофазного выпрямителя для выделения огибающей НЧ сигнала. Двухфазное (двухполупериодное) детектирование АМ известно и применялось в некоторых случаях и раньше. Оно дает повышение частоты ВЧ (или ПЧ) пульсаций выпрямленного напряжения вдвое и возможность уменьшить постоянную времени фильтра при том же проценте пульсаций. То же можно сделать и при детектировании огибающей НЧ сигнала.
Ничто не мешает увеличить количество фаз и таким образом еще уменьшить нужную для фильтрации пульсаций емкость. Известно, что шестифазная (трехфазная двухполупериодная) схема выпрямителя и без всякого фильтра обеспечивает пульсации около 5%. При работе с широким спектром частот аудиосигнала нужно обеспечить постоянный относительный сдвиг фаз во всем частотном диапазоне. Но фильтрацию требуется улучшать только для низших частот спектра, поэтому требования к точности фазовращателей на верхних частотах могут быть не особо высокими.
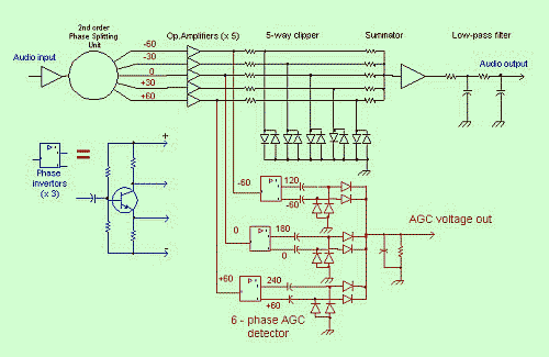
Наиболее рационально использование многофазного детектирования тогда, когда в устройстве уже имеется готовый фазорасщепитель. В частности, это может быть фазовращатель для фазокомпенсационного формирования SSB-сигнала или для многоканального НЧ-клиппера с фазовой компенсацией гармоник. В рассматриваемой конструкции АРУ микрофонного усилителя сочеталась с пятифазным НЧ-клиппером [1].

Рис.1
В пятифазном клиппере относительный сдвиг фаз -60, -30, 0, +30 и +60 градусов. Я ответвил сигналы (конечно, до ограничителей) с фазами -60, 0 и +60 градусов на 3 транзисторных фазоинвертора с разделенной нагрузкой, и подал 3 пары их выходных напряжений (-60 и 120, 0 и 180, 60 и 240 градусов) на 6 выпрямителей (три диодных мостика), работающих на общую нагрузку, получив таким образом выпрямление с повышением частоты пульсаций в 6 раз. При постоянной времени 0,23 с (0,15 мкФ на 1,5 МОм) и частоте входного сигнала 300 Гц пульсации составили менее 0,1%. Благодаря использованию довольно широкополосных фазовращателей 2-го порядка, пульсации на всех более высоких частотах еще меньше. Разумеется, были приняты меры к тому, чтобы напряжения всех фаз были равными.
Если бы этого было не достаточно, можно было добавить к пяти ветвям фазорасщепителя, имеющимся в клиппере, еще одну с поворотом фазы на плюс или минус 90 градусов и, добавив еще 3 транзисторных фазоинвертора с выпрямителями, получить 12-фазное выпрямление. Вообще число фаз детектора можно сделать сколь угодно большим, важно только, чтобы в требуемом частотном диапазоне относительный сдвиг фаз оставался постоянным и был равномерно распределен по кругу, а напряжения всех фаз были одинаковыми.
Многофазный детектор пригоден и, например, в SSB-приемнике для системы АРУ по огибающей сигнала - так можно уменьшить постоянную времени при сохранении небольшого коэффициента нелинейных искажений. Многофазное детектирование АМ-сигналов может быть полезно при небольшой разнице значений несущей частоты и высшей частоты модулирующего сигнала для снижения искажений, вносимых детектором на верхних частотах. Поскольку относительная полоса спектра АМ-сигнала значительно уже, чем у исходного низкочастотного, то многоканальный фазорасщепитель, рассчитанный на частоту несущей, может быть простым - RC или LC первого порядка.
В сущности, многофазное детектирование дает такой же же эффект, какой могло бы дать использование после детектора многозвенного фильтра нижних частот высокого порядка с крутым скатом АЧХ (однако, такой фильтр может "звенеть" и работа системы будет не стабильной). Здесь можно усмотреть некоторое сходство с применением двух разных методов - фазового и фильтрового - для получения одного и того же результата при формировании SSB сигналов.
Литература
1. Поляков В.Т. Трансиверы прямого преобразования. Изд. ДОСААФ, Москва, 1984
=======================================================
All rights reserved © Yuri
Baltin, 1988-1990