Ю. Гризанс, YL3GCO
МНОГОКАНАЛЬНЫЙ ГЕНЕРАТОР
При наладке цифровых устройств часто требуется подавать какие-то управляющие сигналы для проверки работоспособности. Конечно,
это можно сделать при помощи кнопок. Но если требуется подать целую
серию таких сигналов на большое количество точек схемы, и не один раз, то
использование кнопок становится неэффективным.
Например, при испытании устройств с выводом данных микроконтроллера на ЖКИ порой приходится гадать, где ошибка: в коде программы, в реализации протокола обмена данными или просто неисправен индикатор. А как
проверить графический ЖКИ с параллельным интерфейсом, у которого около
10 сигнальных входов?
Для таких целей был сконструирован генератор в виде приставки к компьютеру, позволяющий выдавать заданные комбинации логических TTL-уровней по 16 каналам.
Конструкция приставки
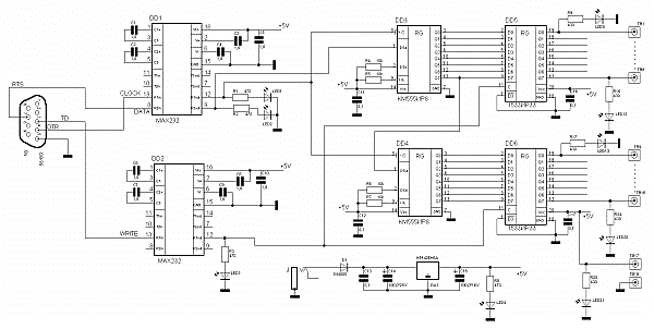
Устройство позволяет управлять различными цифровыми устройствами путем генерации различных логических TTL уровней на 16 выходах в соответствии с командами, формируемыми специальной программой. Генератор подключается к компьютеру через последовательный порт (COM1 или COM2). Имеются также клеммы "+5V" и "земля".
Управление осуществляется по
трем линиям: RTS - такт, DTR - данные, TXD - запись. Протокол обмена
данными компьютера с приставкой показан на рис.2.

В начале все три линии находятся в нулевом состоянии. Затем
выставляется нулевой бит данных. Логическая единица на тактовой линии
записывает этот бит в регистр сдвига КМ555ИР8 (Рис.1). Перед
выставлением следующего бита данных следует обнулить тактовую линию.
После записи в регистр сдвига последнего пятнадцатого бита логическая
единица подается на линию "Запись". Этот сигнал записывает данные в
регистр 1533ИР33 и таким образом оба байта данных одновременно подаются
на выход приставки.
Программа управления генератором Программа разработана для Windows 98, и с системой типа Windows 2000
работать не будет. Системные требования невысоки: если компьютер
"тянет" операционную систему, то должен справиться и с программой.
Для правильного отображения графического интерфейса требуется разрешающая способность экрана не менее 1024х768. Программа бесплатна, не требует инсталляции, её дистрибутив в виде самораспаковывающегося архива имеет объем 317 КБ. Программа позволяет редактировать массив данных 16*50 (16 сигналов по
50 позиций в каждом). Для удобства работы каждому сигналу можно
присвоить имя. Массив данных и имена можно записывать в файл.
Управление выводом данных на генератор осуществляется в двух режимах: в
шаговом (выводятся данные отмеченные вертикальной линией курсора) и в
непрерывном (все 50 позиций).
Скачать программу
После запуска программы открывается окно, показанное на рис.3 (за исключением поля редактирования, которое появляется при необходимости,
например, после выполнения пункта меню "New" или перемещения курсора).

Редактирование массива данных
Определение названия сигнала
Меню
Автор будет благодарен за замечания и конструктивные предложения, связанные с данным устройством.
> К началу статьи
> Карта сайта